KYN28A-12
Giantele
3.6kV、7.2kV、12kV
630A-3150A
50赫兹
1个
IP67级
三
IEC60298
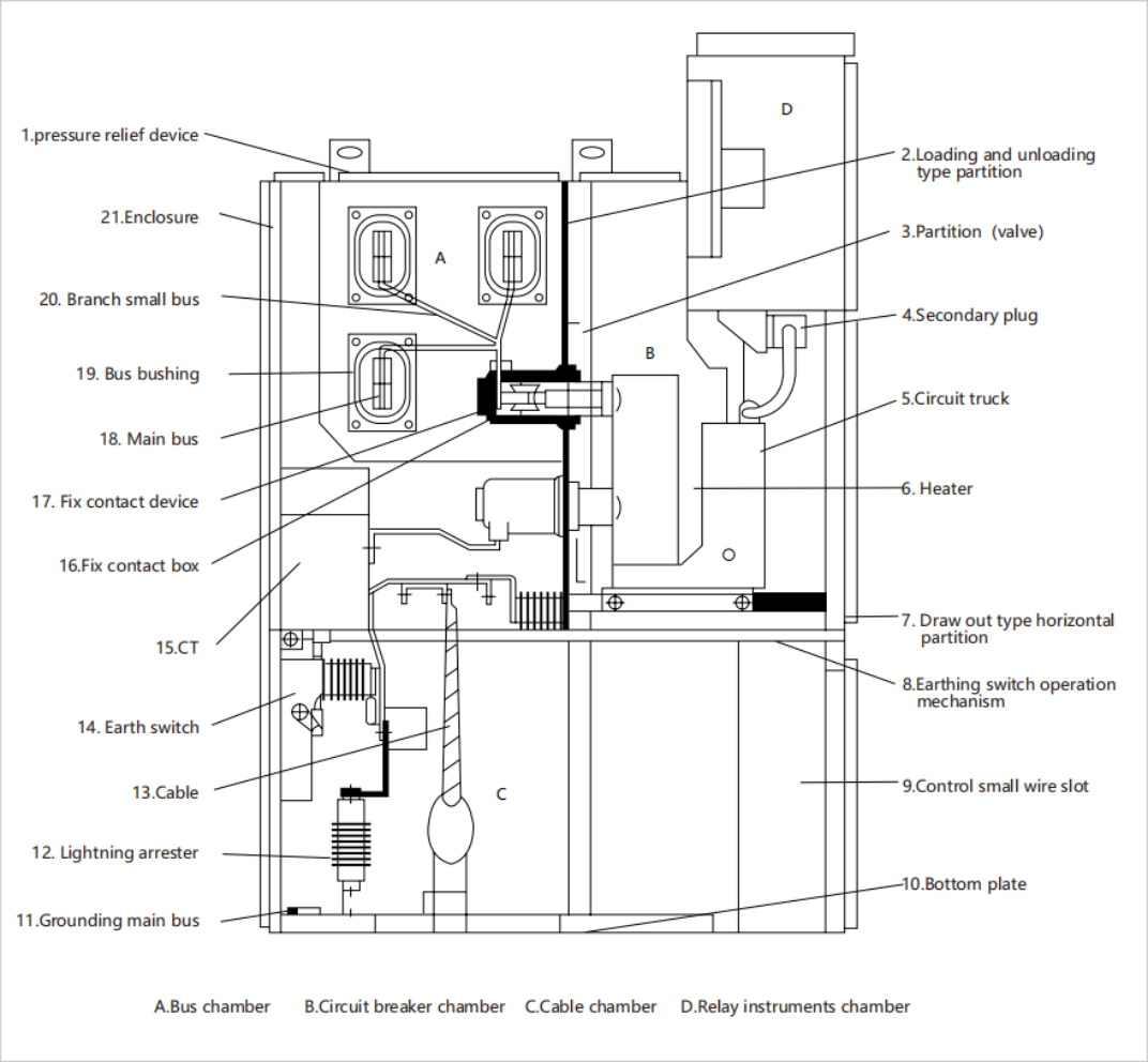
概述
KYN28中压开关设备是一款精密的户内金属铠装抽出式设备,专为运行在50/60Hz的3.6kV至12kV三相交流系统而精心设计。该开关设备是输配电网络的组成部分,广泛应用于工矿企业、发电厂、变电站的电力基础设施中。它专为单总线和单总线分段配置而设计,为中压电力系统提供无与伦比的控制、保护和监控功能。
环境条件
周围空气温度:最高温度+40℃,最低温度-15℃;
相对湿度:日平均相对湿度:≤95%,日平均水蒸气压不超过2.2KPa;月平均相对湿度≤90%;月平均蒸汽压力不超过1.8KPa;
海拔高度:≤1000m;
地震烈度:不大于8级;
周围空气应无腐蚀性或可燃性气体、水蒸气及其他明显污染;
无剧烈振动场所;
产品特点
加强安全措施:符合国际标准,例如 KYN28 开关柜符合 IEC60298 标准,具有先进的安全功能。这些措施包括防止意外操作的机制,例如负载下断路器手车的误操作、断路器的无意合闸或分闸、接地开关激活时断路器的接合、未经授权进入带电隔间以及断路器的不正确操作。带电接地开关。
广泛的兼容性:该开关柜设计兼容各种真空断路器,从 VCA 和 VS1 等国内型号到 ABB 的 VD4-I2 和施耐德的 EV 12S 等全球知名品牌。这种多功能性确保它能够满足各个行业客户的多样化需求。
智能控制:KYN28 配备了多个基于微处理器的继电保护设备,可通过 CAN 通信接口与现场总线控制网络无缝集成。这有利于复杂的控制功能,包括远程控制、遥测、遥信和远程调整,简化系统管理并提高运营效率。
设计紧凑,维护方便:该开关柜采用优质材料制成,采用最先进的 CNC 加工技术,设计紧凑而坚固,简化了安装和维护。其手车组件采用模块化设计,可轻松更换和升级,从而降低维护成本。
卓越的隔离和冷却:开关柜采用隔离不同功能室的设计,确保增强的安全性和可靠性。它还配备了专用的泄压通道和有效的冷却系统,即使在长时间运行下也能保证一致的性能。
概述
KYN28中压开关设备是一款精密的户内金属铠装抽出式设备,专为运行在50/60Hz的3.6kV至12kV三相交流系统而精心设计。该开关设备是输配电网络的组成部分,广泛应用于工矿企业、发电厂、变电站的电力基础设施中。它专为单总线和单总线分段配置而设计,为中压电力系统提供无与伦比的控制、保护和监控功能。
环境条件
周围空气温度:最高温度+40℃,最低温度-15℃;
相对湿度:日平均相对湿度:≤95%,日平均水蒸气压不超过2.2KPa;月平均相对湿度≤90%;月平均蒸汽压力不超过1.8KPa;
海拔高度:≤1000m;
地震烈度:不大于8级;
周围空气应无腐蚀性或可燃性气体、水蒸气及其他明显污染;
无剧烈振动场所;
产品特点
加强安全措施:符合国际标准,例如 KYN28 开关柜符合 IEC60298 标准,具有先进的安全功能。这些措施包括防止意外操作的机制,例如负载下断路器手车的误操作、断路器的无意合闸或分闸、接地开关激活时断路器的接合、未经授权进入带电隔间以及断路器的不正确操作。带电接地开关。
广泛的兼容性:该开关柜设计兼容各种真空断路器,从 VCA 和 VS1 等国内型号到 ABB 的 VD4-I2 和施耐德的 EV 12S 等全球知名品牌。这种多功能性确保它能够满足各个行业客户的多样化需求。
智能控制:KYN28 配备了多个基于微处理器的继电保护设备,可通过 CAN 通信接口与现场总线控制网络无缝集成。这有利于复杂的控制功能,包括远程控制、遥测、遥信和远程调整,简化系统管理并提高运营效率。
设计紧凑,维护方便:该开关柜采用优质材料制成,采用最先进的 CNC 加工技术,设计紧凑而坚固,简化了安装和维护。其手车组件采用模块化设计,可轻松更换和升级,从而降低维护成本。
卓越的隔离和冷却:开关柜采用隔离不同功能室的设计,确保增强的安全性和可靠性。它还配备了专用的泄压通道和有效的冷却系统,即使在长时间运行下也能保证一致的性能。
| 物品 | 单元 | 数据 | |
| 额定电压 | 电压 | 3.6、7.2、12 | |
| 额定频率 | 赫兹 | 50 | |
| 断路器额定电流 | A | 630、1250、1600、2000、2500、3150 | |
| 开关柜额定电流 | A | 630、1250、1600、2000、2500、3150 | |
| 额定短时耐受电流(4S) | kA | 20、25、31.5、40 | |
| 额定峰值耐受电流(峰值) | kA | 50、63、80、100 | |
| 额定短路开断电流 | kA | 20、25、31.5、40 | |
| 额定短路关合电流(峰值) | kA | 50、63、80、100 | |
| 额定绝缘水平1min工频耐受电压 | 极间、极对地 | 电压 | 24、32、42 |
| 骨折间 | 电压 | 24、32、42 | |
| 雷电冲击耐受电压(峰值) | 极间、极对地 | 电压 | 40、60、75 |
| 骨折间 | 电压 | 46、70、85 | |
| 防护等级 | 外壳为IP4X,隔室和断路器室门打开时为IP2X。 |
笔记:可定制产品(额定电压:24kV),详细数据请咨询我公司
.
| 物品 | 单元 | 数据 | |
| 额定电压 | 电压 | 3.6、7.2、12 | |
| 额定频率 | 赫兹 | 50 | |
| 断路器额定电流 | A | 630、1250、1600、2000、2500、3150 | |
| 开关柜额定电流 | A | 630、1250、1600、2000、2500、3150 | |
| 额定短时耐受电流(4S) | kA | 20、25、31.5、40 | |
| 额定峰值耐受电流(峰值) | kA | 50、63、80、100 | |
| 额定短路开断电流 | kA | 20、25、31.5、40 | |
| 额定短路关合电流(峰值) | kA | 50、63、80、100 | |
| 额定绝缘水平1min工频耐受电压 | 极间、极对地 | 电压 | 24、32、42 |
| 骨折间 | 电压 | 24、32、42 | |
| 雷电冲击耐受电压(峰值) | 极间、极对地 | 电压 | 40、60、75 |
| 骨折间 | 电压 | 46、70、85 | |
| 防护等级 | 外壳为IP4X,隔室和断路器室门打开时为IP2X。 |
笔记:可定制产品(额定电压:24kV),详细数据请咨询我公司
.
安装尺寸(毫米)
| 毫米 | |||||
| 高度B | 2300(2200) | ||||
| 宽度A | 额定电流高达1250A | 800 | |||
| 额定电流1600A及以上 (海拔4000m额定电流1250A) | 1000 | ||||
| 深度C | 电缆进出线 | 1500 | |||
| 顶置入口和出口管线 | 166 | ||||
| 毫米 | |||||
| 柜体宽度A | 柜体深度B | L1 | L2 | L3 | L4 |
| 800 | 1500电缆 | 530 | 630 | 150 | 490 |
| 1660 航拍 | 530 | 630 | 310 | 650 | |
| 1000 | 1500电缆 | 730 | 830 | 150 | 490 |
| 1660 航拍 | 730 | 830 | 310 | 650 | |
主电路方案图
安装尺寸(毫米)
| 毫米 | |||||
| 高度B | 2300(2200) | ||||
| 宽度A | 额定电流高达1250A | 800 | |||
| 额定电流1600A及以上 (海拔4000m额定电流1250A) | 1000 | ||||
| 深度C | 电缆进出线 | 1500 | |||
| 顶置入口和出口管线 | 166 | ||||
| 毫米 | |||||
| 柜体宽度A | 柜体深度B | L1 | L2 | L3 | L4 |
| 800 | 1500电缆 | 530 | 630 | 150 | 490 |
| 1660 航拍 | 530 | 630 | 310 | 650 | |
| 1000 | 1500电缆 | 730 | 830 | 150 | 490 |
| 1660 航拍 | 730 | 830 | 310 | 650 | |
主电路方案图
